除氧器、熱力型除氧器、旋膜式除氧器
一:除氧器用途
旋膜式除氧器是一種******型熱力式除氧器,分為大氣式除氧器和壓力式除氧器,熱力除氧就是將水加熱至沸點,氧的溶解度減小而逸出,再將水面上產生的氧氣排除,使充滿蒸汽,如此使水中氧氣不斷逸出,而保證給水含氧量達到給水質量標準要求,防止鍋爐、省煤器及管道的腐蝕。旋膜式除氧器
是*********的熱力式除氧器。
二、旋膜式除氧器優點 1:除氧效率合格率100%。大氣式除氧器給水含氧量小于13цɡ/L,壓力式除氧器給水含氧量小于5цɡ/L。 2:
能適應不同工況下的運行穩定,對水質、水溫要求不苛刻等優點外,且可短期超出力50%左右運行,震動小。 3:除氧部件為不銹鋼制造,使用壽命20年以上。 4:排汽量小,
節約能耗。
三、除氧器技術特性和配套參數
規格型號 |
出力T/H |
水箱容積M3 |
工作溫度
℃ |
工作壓力Mpa |
除氧塔尺寸 |
水箱尺寸 |
CYD-6 |
6 |
3 |
104 |
0.02 |
Φ426x2200 |
Φ1212x2800 |
CYD-10 |
10 |
5 |
Φ630x2460 |
Φ1516x3890 |
CYD-20 |
20 |
10 |
Φ830x2650 |
Φ1816x5250 |
CYD-30 |
30 |
15 |
Φ1016x2960 |
Φ2020x6000 |
CYD-35 |
35 |
20 |
Φ1016x2960 |
Φ2420x6230 |
CYD-40 |
40 |
20 |
Φ1216x3040 |
Φ2420x6230 |
CYD-50 |
50 |
25 |
Φ1216x3140 |
Φ2420x7660 |
CYD-75 |
75 |
35 |
Φ1216x3060 |
Φ2520x9000 |
CYD-85 |
85 |
35 |
Φ1416x3160 |
Φ2620x9340 |
CYD-100 |
85 |
40 |
Φ1416x3260 |
Φ2820x7000 |
CYD-130 |
130 |
40 |
Φ1616x3260 |
Φ2820x7000 |
CYD-150 |
150 |
45 |
Φ1616x3360 |
Φ2820x8550 |
CYD-220 |
220 |
50 |
Φ1820x3380 |
Φ2820x9460 |
CYD-250 |
250 |
60 |
Φ2020x3460 |
Φ3024x9060 |
CYG-系列新型壓力式除氧器
規格型號 |
出力T/H |
配套水箱容積M |
工作溫度
℃ |
工作壓力Mpa |
除氧塔外形尺寸 |
水箱外形尺寸 |
CYG-150 |
150 |
40 |
158 |
0.58 |
Φ1724x3660 |
Φ2828x8550 |
CYG-200 |
200 |
50 |
Φ1824x3890 |
Φ2832x9450 |
CYG-250 |
250 |
60 |
Φ2024x4260 |
Φ3032x11030 |
CYG-420 |
420 |
80 |
Φ2424x4440 |
Φ3232x14030 |
CYG-680 |
680 |
100 |
Φ2628x4680 |
Φ3232x16600 |

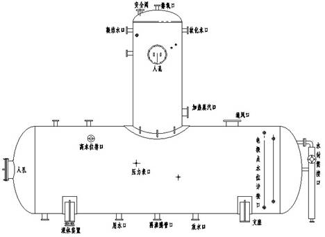
四、結構及原理(附圖)
旋膜式除氧器的結構是由除氧頭和水箱組成。除氧頭的結構由外殼、旋膜器組、水篦子、液汽網、蒸汽分配盤、汽水分離器六大部分組成。水箱由主體及附件組成。
1、外殼:是由筒身和沖壓橢圓形封頭焊制成。
2、膜器組:由水室、起膜管、凝結水接管、補充水接管組成。起膜管、下水管材料均由不銹鋼制造,常年運行無需檢修,也是旋膜式除氧器主要部分,98%的氧由此除去。
3、淋水篦子:經起膜段除氧的給水及由疏水管引進的疏水在這里進行減流二次分配,使水呈均勻淋雨狀下落,從而保護其下部液汽網。水篦子空間面積不小于總截面的50%,不銹鋼結構,常年運行無需檢修。
4、填料液汽網:是由相互間隔的扁鋼帶及一個圓筒體,內裝兩層高度特制的O型0.3mm不銹鋼扁絲網,給
水在這里與二次蒸汽充分接觸,加熱到飽和溫度并進行深度除氧,以保證除氧水中含量。
5、蒸汽分配盤:主加熱蒸汽由此接進,規則均分型結構能很好保證加熱質量,使加熱蒸汽呈現均分狀態其在無節流工況下上升加熱軟化水,達到飽和溫度下工作除氧。
6、汽水分離器:由不銹鋼填料組成內網,外殼設計為通氣型結構,能有效的將排氧時的汽帶水分離回流,是排汽不帶水的必不可少部件。
7、水箱:是由筒身和沖壓橢圓形封頭焊制成,內部設置加強圈,底座固定在預制的工作臺上,一端固定,另一端為安裝膨脹滾體裝置。水箱上設有檢修人孔、安全閥接管口、排水口、再沸騰管口、水封筒口、水位計接口、壓力表口、溫度表口、用水口等。
除氧器熱力除氧基本原理:在容器中,溶解于水中的氣體量是與水面上氣體的分壓成正比。采用熱力除氧的主法,即用蒸汽來加熱給水,提高水的溫度,使水面上蒸汽的分壓力逐步增加,而溶解氣體的分壓力則漸漸降低,溶解于水中的氣體就不斷逸出,當水被加熱至相應壓力下的沸騰溫度時,水面上全都是水蒸汽,溶解氣體的分壓力為零,水不再具有溶解氣體的能力,亦即溶解于水中的氣體,包括氧氣均可被除去。除氧的效果一方面決定于是否把給水加至相應壓力下的沸騰溫度,另一方面決定于溶解氣體的排除速度,這個速度與水和蒸汽的接觸表面積的大小有很大的關系。
旋膜式除氧器工作原理(射流、吸卷、紊流、傳熱、傳質、水膜裙、淋雨狀、飽和)
凝結水及補充水首先進入除氧頭內旋膜器組水室,在一定的水位差壓下從膜管的小孔斜旋噴 向內孔,形成射流,由于內孔充滿了上升的加熱蒸汽,水在射流運動中便將大量的加熱蒸汽吸卷進來(試驗證明射流運動具有卷吸作用);在極短時間很小的行程上產生劇烈的混合加熱作用,水溫大幅度提高,而旋轉的水沿著膜管內孔壁繼續下旋,形成一層翻滾的水膜裙,(水在旋轉流動時的臨界雷諾數下降很多即產生紊流翻滾),此時紊流狀態的水傳熱傳質效果最理想,水溫達到飽和溫度。氧氣即被分離出來,因氧氣在內孔內無法隨意擴散,只能隨上升的蒸汽從排汽管排向大氣。經起膜段粗除氧的給水及由疏水管引進的疏水在這里混合進行二次分配,呈均勻淋雨狀落到裝到其下的液汽網上,再進行深度除氧后才流入水箱。水箱內的水含氧量為高壓0-7
цɡ/L,低壓小于15цɡ/L達到部頒運行標準。
因旋膜式除氧器在工作中使水始終處于紊流狀態,并有足夠大的換熱表面積,所以傳熱傳質效果越好,排汽量小(即用與加熱的蒸汽量少,能源損失小帶來的經濟效益也可觀)除氧效果好產生的富裕量能使除氧器超負荷運行(通常可短期超額定出力的50%)或低水溫全補水下達到運行標準。
五、除氧器定貨須知
1:需多少噸除氧器,并配水箱多少立方(也可單獨供除氧器塔)。
2:除氧器的各接管要求(可向我們提出或我們出圖給您們參考選定)。
3:除氧器的附件需要配給(請點擊除氧器附件部分)。 |